相關資訊

咨詢熱線:
13776817345
固話:0519-85227221
郵箱:2631540167@qq.com
公司地址:江蘇省常州市關河西路180號恒遠大廈17樓
廠部地址:江蘇省常州市新北區孟河鎮郭河工業園
-
產品詳情
-
聯系我們
511/7D防爆壓力開關概述
511/7D防爆壓力開關采用波紋管式的傳感器,可用于腐蝕性氣體和液體介質。
511/7D防爆壓力開關的設定值可調,調節范圍-0.1~6.3MPa。
511/7D防爆壓力開關技術性能
普通型 | 防爆型 | |
---|---|---|
工作粘度 | <1×10-3m2/s | <1×10-3m2/s |
開關元件 | 微動開關 | 密封開關 |
防爆等級 | — | Exde Ⅱ CT4~T6 合格證編號GYB14.1128X |
外殼防護等級 | IP65(符合DIN40050,與GB4208中IP65相當) | IP54(符合DIN40050,與GB4208中IP54相當) |
環境溫度 | -40℃~50℃ | -20℃~50℃ |
介質溫度 | 0~120℃ | 0~95℃ |
安裝位置 | — | 壓力接口垂直向下 |
抗振性能 | 511/7D:40m/s2;511/7DK:20m/s2 | Max:20m/s2 |
重復性誤差 | ≤1% | ≤1% |
觸點容量 | AC 220V 6A(阻性) |
DC 250V 0.25A(阻性) 60Wmax AC 250V 5A(阻性) 1250VAmax |
511/7D防爆壓力開關特點
使用溫度范圍大,可用于腐蝕性介質。
511/7D防爆壓力開關規格
511/7D切換差不可調
設定值調節范圍MPa | 切換差不大于MPa | *大允許壓力①MPa | 開關切換次數次/分 | 壓力傳感器材料 | 接口外螺紋 | 重量kg | 外形尺寸圖號 | 訂貨目錄編號 | |||
---|---|---|---|---|---|---|---|---|---|---|---|
外殼 | 波紋管 | 普通型 | 防爆型 | 普通型 | 防爆型 | ||||||
-0.1~0 | 0.007 | 1 | 20 | 1Cr18Ni9Ti |
00Cr17Ni14Mo2 (316L) | G1/2″ | 1.0 | 01 | 04 | 0810111 | 0850181 |
-0.1~0.1 | 0.008 | 0810211 | 0850281 | ||||||||
-0.1~0.16 | 0.009 | 0810311 | 0850381 | ||||||||
-0.1~0.25 | 0.012 | 0810411 | 0850481 | ||||||||
0~0.1 | 0.008 | 0811111 | 0851181 | ||||||||
0~0.16 | 0.009 | 0811211 | 0851281 | ||||||||
0.01~0.25 | 0.01 | 0811311 | 0851381 | ||||||||
0.02~0.4 | 0.03 | 2 | 0.85 | 02 | 05 | 0811411 | 0851481 | ||||
0.03~0.6 | 0.035 | 0811511 | 0851581 | ||||||||
0.03~1 | 0.04 | 0811611 | 0851681 | ||||||||
0.05~1.6 | 0.08 | 5 | 0.9 | 03 | 06 | 0811711 | 0851781 | ||||
0.05~2.5 | 0.09 | 0811811 | 0851881 | ||||||||
0.3~6.3 | 0.2 | 8.5 | 0811911 | 0851981 |
511/7D切換差可調
設定值調節范圍MPa | 切換差不大于MPa | *大允許壓力①MPa | 開關切換次數次/分 | 壓力傳感器材料 | 接口外螺紋 | 重量kg | 外形尺寸圖號 | 訂貨目錄編號 | |||
---|---|---|---|---|---|---|---|---|---|---|---|
外殼 | 波紋管 | 普通型 | 防爆型 | 普通型 | 防爆型 | ||||||
-0.1~0 | 0.019 | 1 | 20 |
1Cr18Ni9 Ti |
00Cr17Ni14Mo2 (316L) | G1/2″ | 1.05 | 01 | 04 | 0800111 | 0840181 |
-0.1~0.1 | 0.021 | 0800211 | 0840281 | ||||||||
-0.1~0.16 | 0.022 | 0800311 | 0840381 | ||||||||
-0.1~0.25 | 0.024 | 0800411 | 0840481 | ||||||||
0~0.1 | 0.016 | 0801111 | 0841181 | ||||||||
0~0.16 | 0.020 | 0801211 | 0841281 | ||||||||
0.01~0.25 | 0.024 | 0801311 | 0841381 | ||||||||
0.02~0.4 | 0.08 | 2 | 0.9 | 02 | 05 | 0801411 | 0841481 | ||||
0.03~0.6 | 0.09 | 0801511 | 0841581 | ||||||||
0.03~1 | 0.1 | 0801611 | 0841681 | ||||||||
0.05~1.6 | 0.19 | 5 | 0.95 | 03 | 06 | 0801711 | 0841781 | ||||
0.05~2.5 | 0.2 | 0801811 | 0841881 | ||||||||
0.3~6.3 | 0.65 | 8.5 | 0801911 | 0841981 |
511/7DK切換差不可調(小切換差,無防爆型)
設定值調節范圍MPa | 切換差不大于MPa | *大允許壓力①MPa | 開關切換次數次/分 | 壓力傳感器材料 | 接口外螺紋 | 重量kg | 外形尺寸圖號 | 訂貨目錄編號 | |
---|---|---|---|---|---|---|---|---|---|
外殼 | 波紋管 | ||||||||
-0.1~0 | 0.0045 | 1 | 20 |
1Cr18Ni9 Ti |
00Cr17Ni 14Mo2 (316L) | G1/2″ | 1.0 | 01 | 0810113 |
-0.1~0.1 | 0.005 | 0810213 | |||||||
-0.1~0.16 | 0.0065 | 0810313 | |||||||
-0.1~0.25 | 0.01 | 0810413 | |||||||
0~0.1 | 0.0045 | 0811113 | |||||||
0~0.16 | 0.006 | 0811213 | |||||||
0.01~0.25 | 0.007 | 0811313 | |||||||
0.02~0.4 | 0.016 | 2 | 0.85 | 02 | 0811413 | ||||
0.03~0.6 | 0.02 | 0811513 | |||||||
0.03~1 | 0.03 | 0811613 | |||||||
0.05~1.6 | 0.05 | 5 | 0.9 | 03 | 0811713 | ||||
0.05~2.5 | 0.06 | 0811813 | |||||||
0.3~6.3 | 0.12 | 8.5 | 0811919 |
注:①在實際工作中,即使短暫的壓力峰值也不能超過此值。
511/7D防爆壓力開關的選用和安裝說明(詳見控制器的選用和安裝)
設定值的調整(詳見壓力控制器設定值的調整例一、例二、例五)
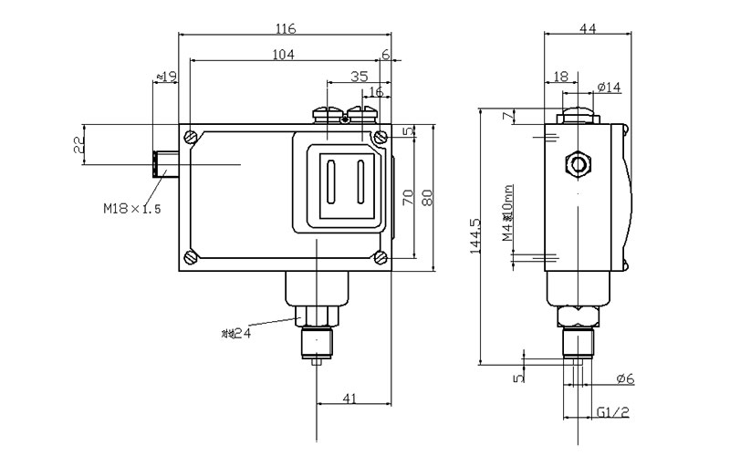
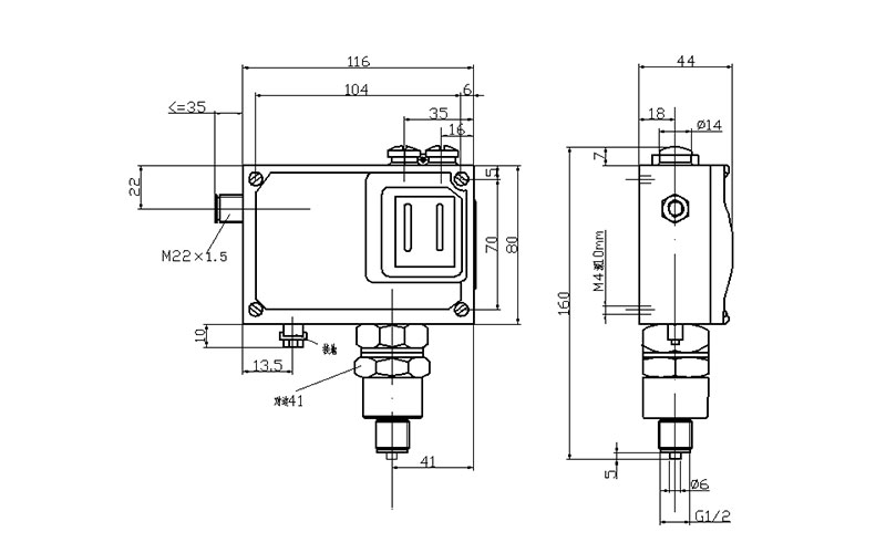
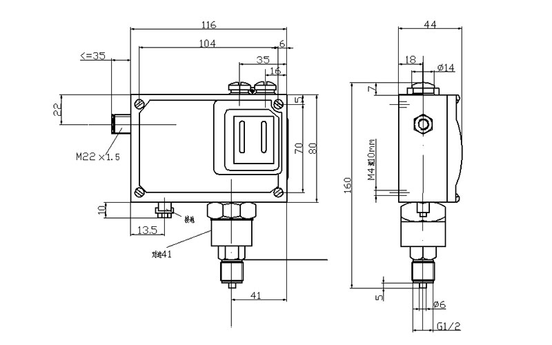
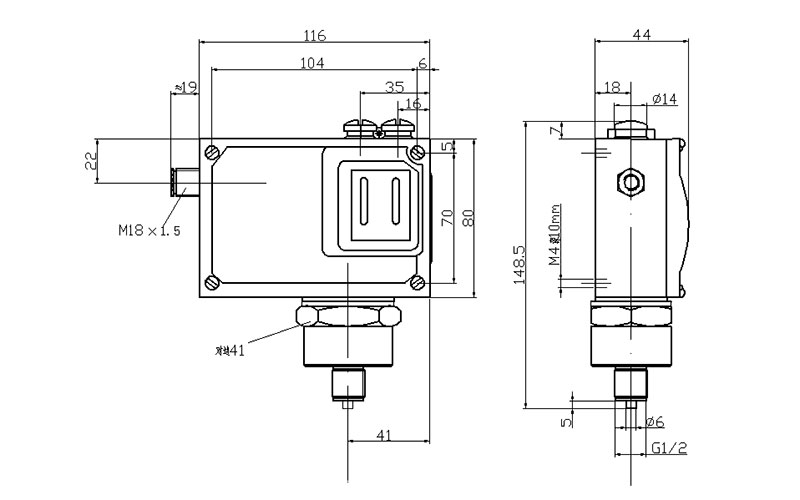
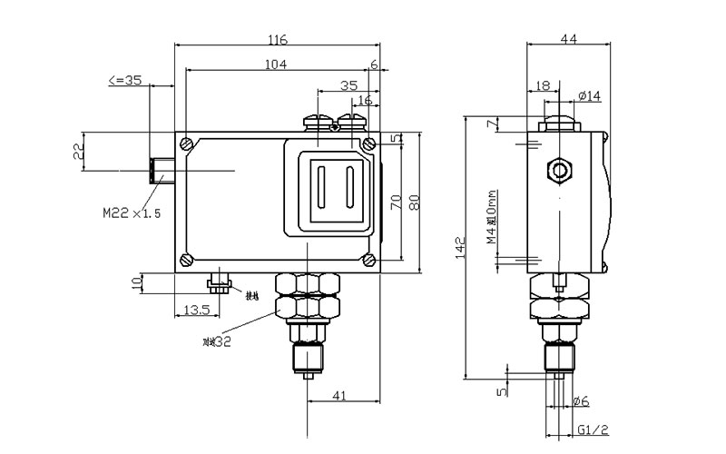
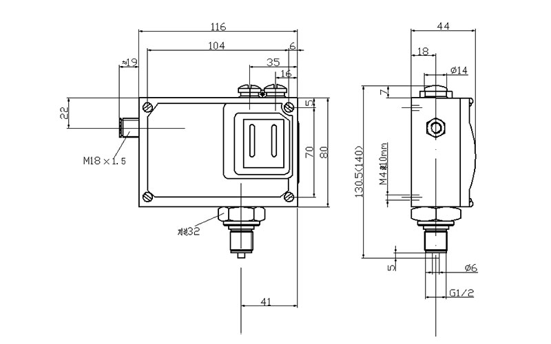
511/7D防爆壓力開關外形尺寸及安裝尺寸(單位:mm)
普通型
01
02
03
防爆型
04
05
06
附件
可供選用附件目錄編號:0574770,0574769,0574768,0574772。
511/7D防爆壓力開關電氣接線圖
單刀雙擲微動開關作用過程:
接線端1-3壓力上升至上切換值接通;
接線端1-2壓力上升至上切換值斷開。
防爆壓力開關
訂購:511/7D防爆壓力開關